МЫ ПРЕДЛАГАЕМ
Практичний міні-словник з пневматики
Содержание
Практический мини-словарь по пневматике.
Краткий словарь пневматических терминов.
Практический мини-словарь по пневматике
Словарь понятий, определений, сокращений, используемых в пневматике
Краткий словарь пневматических терминов
Пневматика – это широкий набор процессов, понятий, взаимосвязей, действий и, конечно же, продуктов. В целях расширения знаний лиц, интересующихся этой областью науки, мы решили подготовить словарь пневматических терминов, который будем систематически дополнять. Приглашаем к чтению!
BP
Burst pressure – давление разрыва (обычно минимум x3 рабочего давления)
CC
Central close – центральное закрытие
Термин, используемый для 3-позиционных клапанов, определяющий среднее положение (кроме крайних – поршень выдвинутый/поршень всунутый), в котором все каналы перекрыты.
При применении клапана 5/3 CC к поршневым приводам мы можем остановить поршень в любом положении с блокировкой положения поршня (подключение воздуха к обеим камерам закрыто). В электрически управляемых клапанах среднее положение устанавливается пружинами.

Обратное давление
Обратное давление – это давление на выходе, действующее в направлении, противоположном желаемому потоку.
Он часто возникает из-за изгибов или сгибов труб, расположенных на выходе, что приводит к уменьшению потока. 2-ходовые мембранные клапаны не позволяют выпускному давлению (или обратному давлению) быть выше входного давления. В случае возникновения такой ситуации рекомендуется использовать обратные клапаны, чтобы предотвратить поток обратного давления через контур перед клапаном.
CO
Central open – центрально открытый/центрально проветриваемый
Термин, используемый для 3-позиционных клапанов, определяющий среднее положение (кроме крайних – поршень выдвинутый/поршень всунутый), в котором все пути (каналы) проветриваются – обе камеры подключены к атмосфере, обычно через глушители.
При применении клапана 5/3 CO к поршневым приводам поршень можно свободно выдвинуть и всунуть (воздух с обеих камер подключен к атмосфере). В электрически управляемых клапанах среднее положение устанавливается пружинами.

CP
Central pressure – центральная аэрация
Термин, используемый для 3-позиционных клапанов, определяющий среднее положение (кроме крайних – поршень выдвинутый/поршень всунутый), в котором все каналы (каналы) питаются – обе камеры находятся под одинаковым давлением.
При применении клапана 5/3 CP к однопоршневым приводам поршень будет выдвигаться вследствие большей площади (силы) на стороне, противоположной поршню. Сила со стороны поршня меньше площади поверхности штока.
Клапаны этого типа используются в основном для удержания в крайних положениях бесштокных/линейных приводов. Учитывая их конструкцию:
площадь поверхности с обеих сторон поршня одинакова,
отсутствие 100% герметичности из-за уплотнения лентой.
В электроприводных клапанах среднее положение определяется пружинами.

DN
Nominal diameter – номинальный диаметр
Определение внутреннего диаметра в мм, для клапанов это размер минимального сужения в клапане.
В клапанах с полным проходом DN соответствует размеру соединения, например, для клапана 3/4" это будет 20 мм, для клапанов с уменьшенным проходом эти значения будут ниже, например, 15 мм.

Δp
Перепад давления
Перепад давления (или падение давления) означает разность давлений между входом и выходом клапана. Символом является Δp.
ID
Внутренний диаметр
Вязкость
Вязкость жидкости – это физическая величина, измеряющая сопротивление потока, оказывающего жидкость
Параметр вязкости оказывает большое влияние на интенсивность потока и MOPD. Максимальная рекомендуемая вязкость, выраженная в cSt (центах Стоксах), указана для каждого диаметра мембранных клапанов в каталожных таблицах. Использование жидкостей с более высокими значениями вязкости может привести к понижению производительности и засорению отверстий мембранных клапанов.
MOPD
Максимальная рабочая разница давлений
Означает максимальное рабочее значение p, которое клапан должен преодолеть, чтобы обеспечить протекание жидкости. При одинаковой диафрагме, но с питанием переменного или постоянного тока, значения MOPD могут быть разными. С MOPD (Minimum Operating Pressure Difference) означает минимальное рабочее Δp, позволяющее открыть или закрыть главную диафрагму. В мембранных клапанах прямого действия это может быть 0 бар, а в сервоусиленных клапанах всегда должно быть > 0 бар.
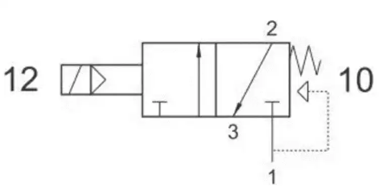
NC
Normal close – нормально закрытый
Термин относится к клапанам, в которых в положении без подачи управляющего сигнала (пневматического, электрического, механического) поток среды через клапан перекрыт (отсутствие потока). После подачи сигнала происходит поток среды.
Термин касается клапанов 2/2 – открытие/закрытие потока и 3/2 – в которых, кроме отсечения среды на подаче, путь за клапаном подключен к атмосфере (распространению).

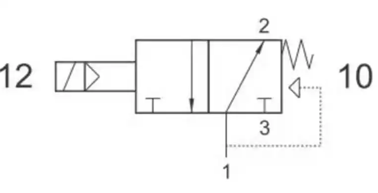
NO
Normal open – нормально открытый
Этот термин касается клапанов, в которых в положении без подачи управляющего сигнала (пневматического, электрического, механического) происходит протекание среды через клапан (путь открытая). После подачи сигнала происходит перекрытие протекания среды.
Термин касается клапанов 2/2 – открытие/закрытие потока и 3/2 – в которых, кроме подачи среды к приемам, у нас есть отсеченное вентилирование.

OD
Outside diameter – внешний диаметр
PN
Pressure Nominale – номинальное давление
Определение максимального давления, с которым может работать элемент (клапан, шланг и т.п.), определенное для воды при температуре 20 °C. В зависимости от среды и температуры значения максимального давления могут изменяться. Эта зависимость представлена на графике давление/температура.

PS
Максимально допустимое давление
Максимально допустимое давление (PS) – это максимальное давление, которое клапан может выдержать перед повреждением внутренних элементов и/или внешним утечкой. Он не имеет отношения к MOPD, поскольку должен быть выше или в любом случае равняться входному давлению.
WP
Рабочее давление
Коэффициенты потока Kv и Cv
Коэффициент интенсивности потока Kv, использующего метрическую систему единиц измерения, определяет поток воды, протекающий через элемент с перепадом давления 1 бар при температуре от 5 до 40 °C и определяемый в соответствии со стандартами, указанными в стандартах VDE 2173
Выражается в: м3/ч или л/мин. Коэффициент интенсивности потока Cv использует единицы измерения англосаксонской системы и определяет поток воды, протекающей через элемент при 60°F при перепаде давления 1 psi. Он выражается в US gpm (американских галлонах в минуту).
Эти два значения не сравнимы, но существуют пересчетные формулы:
Kv = 0,857*Cv
Cv = 1,165*Kv
Зная тип жидкости, рабочее давление и допустимый перепад давления коэффициент потока Kv или Cv позволяет вычислить интенсивность потока через элемент и относительную величину для правильного использования в данном применении.
Автор













