МИ ПРОПОНУЄМО
Практичний міні-словник з пневматики
Зміст
Практичний міні-словник з пневматики.
Короткий словник пневматичних термінів.
Практичний міні-словник з пневматики
Словник понять, визначень, скорочень, що використовуються в пневматиці
Короткий словник пневматичних термінів
Пневматика — це широкий набір процесів, понять, взаємозв'язків, дій і, звичайно ж, продуктів. З метою розширення знань осіб, які цікавляться цією галуззю науки, ми вирішили підготувати словник пневматичних термінів, який будемо систематично доповнювати. Запрошуємо до читання!
BP
Burst pressure - тиск розриву (зазвичай мінімум x3 робочого тиску)
CC
Central close - центральне закриття
Термін, що використовується для 3-позиційних клапанів, який визначає середнє положення (крім крайніх - поршень висунутий/поршень всунутий), в якому всі канали перекриті.
У разі застосування клапана 5/3 CC до поршневих приводів ми можемо зупинити поршень у будь-якому положенні з блокуванням положення поршня (підключення повітря до обох камер закрите). В електрично керованих клапанах середнє положення встановлюється пружинами.

Зворотний тиск
Зворотний тиск - це тиск на виході, який діє в напрямку, протилежному до бажаного потоку.
Він часто виникає через вигини або згини труб, розташованих на виході, що призводить до зменшення потоку. 2-ходові мембранні клапани не дозволяють випускному тиску (або зворотньому тиску) бути вищим за вхідний тиск. У разі виникнення такої ситуації рекомендується використовувати зворотні клапани, щоб запобігти потоку зворотного тиску через контур перед клапаном.
CO
Central open - центрально відкритий / центрально провітрюваний
Термін, що використовується для 3-позиційних клапанів, який визначає середнє положення (крім крайніх - поршень висунутий/поршень всунутий), в якому всі шляхи (канали) провітрюються - обидві камери підключені до атмосфери, зазвичай через глушники.
У разі застосування клапана 5/3 CO до поршневих приводів, поршень можна вільно висунути та всунути (повітря з обох камер підключено до атмосфери). В електрично керованих клапанах середнє положення встановлюється пружинами.

CP
Central pressure - центральне аерація
Термін, що використовується для 3-позиційних клапанів, який визначає середнє положення (крім крайніх - поршень висунутий/поршень всунутий), в якому всі канали (канали) живляться - обидві камери знаходяться під однаковим тиском.
У разі застосування клапана 5/3 CP до однопоршневих приводів, поршень буде висуватися внаслідок більшої площі (сили) на стороні, протилежній до поршня. Сила з боку поршня менша на площу поверхні штока.
Клапани цього типу застосовуються в основному для утримання в крайніх положеннях безштокних/лінійних приводів. З огляду на їх конструкцію:
площа поверхні по обидва боки поршня однакова,
відсутність 100% герметичності через ущільнення стрічкою.
В електроприводних клапанах середнє положення визначається пружинами.

DN
Nominal diameter – номінальний діаметр
Визначає внутрішній діаметр в мм, для клапанів це розмір мінімального звуження в клапані.
У клапанах з повним проходом DN відповідає розміру з'єднання, наприклад, для клапана 3/4" це буде 20 мм, для клапанів зі зменшеним проходом ці значення будуть нижчими, наприклад, 15 мм.

Δp
Перепад тиску
Перепад тиску (або падіння тиску) означає різницю тисків між входом і виходом клапана. Символом є Δp.
ID
Внутрішній діаметр
В'язкість
В'язкість рідини – це фізична величина, яка вимірює опір потоку, який чинить рідина
Параметр в'язкості має великий вплив на інтенсивність потоку і MOPD. Максимальна рекомендована в'язкість, виражена в cSt (центіСтоксах), вказана для кожного діаметра мембранних клапанів в каталожних таблицях. Використання рідин з більш високими значеннями в'язкості може призвести до зниження продуктивності і засмічення отворів мембранних клапанів.
MOPD
Максимальна робоча різниця тисків
Означає максимальне робоче значення Δp, яке клапан повинен подолати, щоб забезпечити протікання рідини. При однаковій діафрагмі, але з живленням змінного або постійного струму, значення MOPD можуть бути різними. З MOPD (Minimum Operating Pressure Difference) означає мінімальне робоче Δp, яке дозволяє відкрити або закрити головну діафрагму. У мембранних клапанах прямої дії це може бути 0 бар, а в сервопідсилених клапанах це завжди має бути > 0 бар.
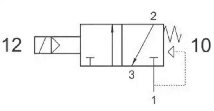
NC
Normal close - нормально закритий
Термін стосується клапанів, в яких у положенні без подачі керуючого сигналу (пневматичного, електричного, механічного) потік середовища через клапан перекритий (відсутність потоку). Після подачі сигналу відбувається потік середовища.
Термін стосується клапанів 2/2 – відкриття/закриття потоку та 3/2 – в яких, крім відсікання середовища на подачі, шлях за клапаном підключений до атмосфери (розповітрення).

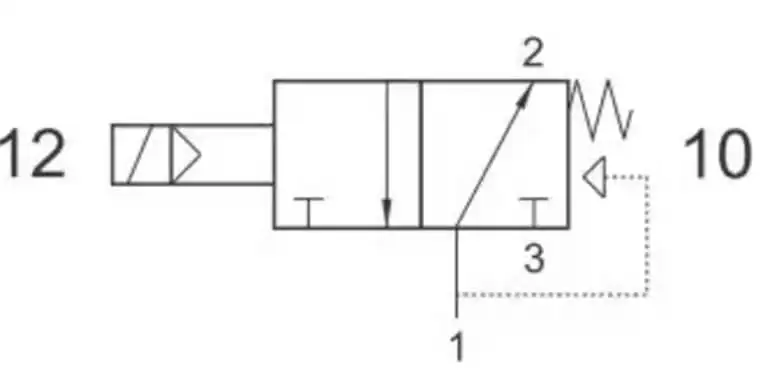
NO
Normal open – нормально відкритий
Цей термін стосується клапанів, в яких у положенні без подачі керуючого сигналу (пневматичного, електричного, механічного) відбувається протікання середовища через клапан (шлях відкритий). Після подачі сигналу відбувається перекриття протікання середовища.
Термін стосується клапанів 2/2 – відкриття/закриття потоку та 3/2 – в яких, крім подачі середовища до приймача, ми маємо відсічене вентилювання.

OD
Outside diameter – зовнішній діаметр
PN
Pressure Nominale – номінальний тиск
Визначає максимальний тиск, з яким може працювати елемент (клапан, шланг тощо), визначений для води при температурі 20 °C. Залежно від середовища та температури значення максимального тиску можуть змінюватися. Ця залежність представлена на графіку тиск/температура.

PS
Максимально допустимий тиск
Максимально допустимий тиск (PS) - це максимальний тиск, який клапан може витримати перед пошкодженням внутрішніх елементів і/або зовнішнім витоком. Він не має відношення до MOPD, оскільки повинен бути вищим або в будь-якому випадку дорівнювати вхідному тиску.
WP
Робочий тиск
Коефіцієнти потоку Kv і Cv
Коефіцієнт інтенсивності потоку Kv, який використовує метричну систему одиниць вимірювання, визначає потік води, що протікає через елемент з перепадом тиску 1 бар при температурі від 5 °C до 40 °C і визначається відповідно до стандартів, зазначених у стандартах VDE 2173
Виражається в: м3/год або л/хв. Коефіцієнт інтенсивності потоку Cv використовує одиниці виміру англосаксонської системи і визначає потік води, яка протікає через елемент при температурі 60°F при перепаді тиску 1 psi. Він виражається в US gpm (американських галонах на хвилину).
Ці два значення не можна порівняти, але існують перерахункові формули:
Kv = 0,857 * Cv
Cv = 1,165 * Kv
Знаючи тип рідини, робочий тиск і допустимий перепад тиску, коефіцієнт потоку Kv або Cv дозволяє обчислити інтенсивність потоку через елемент і відносну величину для правильного використання в даному застосуванні.
Автор













